振动产品分类中心zhendong product classification Center
振动筛
- 香蕉筛
- 直线等厚振动筛(ZXD系列)
- 直线振动筛(ZKR系列)
- 矿用单轴振动筛(DD、ZD型)
- 大型圆振动筛(DYKS型)
- 圆振动筛(YKR型)
- 脱水振动筛(GZTS型)
- 圆振筛
- 圆振动筛(YA型)
- 圆振动筛 (YZ系列)
- 圆振动筛(YK系列)
- 圆形振动分级筛(YZ系列)
- 圆振动筛(YZDS系列)
- 自定中心振动筛(SZZ系列)
- 高效重型振动筛(ZSG系列)
- 直线振动筛
- ZKX型直线振动筛(矿用振动筛)
- 振网筛(ZWS型)
- 电磁振动筛
振动给料机
振动输送机
振动筛
破碎机
其它设备
自定中心振动筛(SZZ系列)相关NEWS
- 振强直线振动筛,经得起考验的品质,你想了解么
- 直线振动筛采用双振动电机驱动,当两台振动电机做同步、反向旋转时,其偏心块所产生的激振力在平行于电机轴线的方向相互抵消,在垂直于电机轴的方向叠为一合力,因此筛机的运动轨迹为一直线。
- 了解振动筛分机的优势性能,为生产打好基础!
- 振动筛分机主要由筛箱、装置及电激振器、悬挂(或支承)动机等组成。振动筛分机构造简单、拆换筛面方便。
- 振动筛分机的分类及作用,你真的了解吗?
- 江苏振强机械科技股份有限公司是设计、制造各类型号的振动筛分机、振动给料机、振动输送机等系列矿山、建材设备产品的公司。公司技术力量雄厚、生产工艺先进,生产的产品质量可靠,性能优越,值得您的信赖!
- 不了解圆形振动筛分机,不看后悔!
- 江苏振强机械科技股份有限公司技术力量雄厚、生产工艺先进、检测手段齐全,专业生产振动输送机、振动筛分机等系列产品,质量可靠,性能优越,值得信赖! 热忱欢迎新老客户光临洽谈合作!
- 直线振动筛分机的保养和维护,您做到了吗?
- 直线振动筛分机是全封闭结构,无粉尘溢散,自动排料,更适合于流水线作业。需要了解更多细节问题,请关注我们去振强机械网站,网址:http://trachten.cc
- 机械常识问答!振动筛分机出现故障原因及日常维护要素
- 振动筛分机是利用振子激振所产生的往复旋型振动而工作的。 任何设备在使用中都需要定期维护检修,不然就有可能出现故障。振强机械公司提醒广大客户,在使用振动筛分机时,要定期检查机身各部位是否因振动而产生损坏,需添加润滑油的部位必须加油润滑。
- 不看就亏大了!振动给料机的运作注意事项,条条都是经验!
- 当振动给料机设备正常工作时就要注意日常维护和养护,才会使得其工作效率更高,使得整个生产线更加的通畅。 振强机械是专业生产振动给料机、振动筛分机、振动输送机等矿山、建材设备的企业,产品符合国家标准,质量可靠,我们坚持以最优惠的价格提供最优质的产品。
- 振动筛分机在使用与维修期间要注意哪些事项
- 直线振动筛分机具有稳定可靠、消耗少、噪音低、寿命长、振型稳、筛分效率高等优点,是一种高效新型的筛分设备。振动筛分机广泛用于矿山、煤炭、冶炼、建材、耐火材料、轻工、化工等行业。
- 振动筛分机在使用与维修时要注意哪些事项呢
- 振动筛分机的筛分效率高,质量轻,系列完整多样,层次多,对于干物料筛分可以满足需求。但是对于水分高,有粘附物料,该振动筛分机就不适宜了。
- 什么原因造成振动筛分机的筛网磨损过快呢
- 矿用振动筛可分为:高效重型筛,自定中心振动筛,椭圆振动筛,脱水筛,圆振筛, 香蕉筛,直线振动筛分机等。振动筛分机中的筛网比较脆弱,不正确的使用方法会造成筛网的损坏。
- 振动筛分机的优缺点是怎样的呢
- 特别提醒的是振动筛分机的保养维护:需定期的检查粗网,细网和弹簧有无疲劳及破损,机身各部位是否因振动而产生损坏,需添加润滑油的部位必须加油润滑。
- 振动筛分机在开机运行时要注意的事项有哪些呢
- 运行中定时检查振动筛分机的出料情况,如有堵塞,要及时疏通。
- 亲,振动筛分机在启动时要注意哪些事项呢
- 振动筛是利用振子激振所产生的往复旋型振动而工作的。振子的上旋转重锤使筛面产生平面回旋振动,而下旋转重锤则使筛面产生锥面回转振动,其联合作用的效果则使筛面产生复旋型振动。
- 谈谈振动筛分机在试运行时应注意哪些要点
- 振动筛分机的防筛网堵塞技术先进,不需要弹跳球清网,更好地防筛网堵塞且无污染,确保筛分的连续性。该设备具有低噪音,全封闭,粉尘不飞扬,更环保等特点。
- 圆型振动筛的运动轨迹
- 圆型振动筛的运动轨迹为圆,圆型振动筛是专为采石场筛分料石设计的,也可供选煤、选矿、建材、电力及化工等部门作产品分级用。YZ圆振动筛由块偏心式激振器、筛箱、电动机、底座及支承装置组成。筛面倾角20°。
- 热矿振动筛工作环境恶劣
- 热矿振动筛工作环境恶劣,热矿振动筛是整个烧结生产系统的设备故障多发点之一,热矿振动筛直接影响到整个烧结系统的生产作业效率。造成矿振动筛设备的日常维修成本居高不下。
- 最新的振动筛分机
- 最新的振动筛分机的一键式电子控制成熟的分离技术,为快速,准确的材料2毫米和精细分离。直线振动筛分机作为一个重大的新的高效率的分级和筛选设备,直线振动筛分机被广泛使用在各个行业,如粮食,饲料,面粉,食品,化工,糖的筛选和分级上。
- 振动筛轴承的选择
- 通常振动筛轴承在大多数的情况下,根据其设计负荷选用轴径或轴承内径,标准轴承的主要尺寸是根据标准内径尺寸而编制的,通常,额定基本负荷在尺寸表上均有显示,但振动筛轴承加在轴承上的负荷,其性质、大小、方向是多变的。
- 振动筛振幅和主轴转速
- 振动筛的振动倾斜角:振动筛的振动倾斜角通常为45°,对于某些难筛物料如碎石、焦炭、烧结矿的倾斜角可高达60°。
- 振动筛使用必须符合的要求
- 振动筛出厂时,激振器内注有润滑油,兼有防腐性能,有效期三个月,存放期超过三个月后,运转20min,还可继续防腐三个月,振动筛工作时必须换上清洁的润滑油,经常保持激振器通气孔的畅通,因堵塞易导致漏油。
- 振动筛在当代工业的重要性
- 振动筛的筛面倾角与筛子处理量和筛分效率有关,振动筛的筛面倾角越大,其处理量越大,但筛分效率就越低,振动筛的筛面倾角在15°~25°之间(用于破碎车间时多选取倾角为20°)。
- 振动筛是如何工作的?
- 振动筛机体运动方向垂直于支杆或悬杆中心线,由于机体的摆动运动,振动筛使筛面上的物料以一定的速度向排料端移动,振动筛物料同时得到筛分,振动筛的筛子横梁与筛箱采用高强度螺栓,振动筛结构简单,维修方便快捷。
- 振动筛行业将保持旺盛的需求
- 振动筛行业还将保持旺盛的需求量,我国近几年煤炭产量预测,预计需求振动筛设备价值54.1亿元,其中,煤炭洗选业的高品质振动筛,其设备性能、工艺要求很高,加工难度极大。
- 热矿振动筛的工作原理
- 热矿振动筛工作时,筛板直接与高温物料接触,要求有较好的耐磨、耐热性能,热矿振动筛采用双轴激振器,电机不参振,由两台电机外拖动作反向同步旋转,使筛体沿直线方向作周期性往复运动从而达到筛分目的的一种振动设备。
- 颚破的运用范围广
- 颚破破碎比大、产品粒度均匀、结构简单、工作可靠、维修简便、运营费用经济,颚破广泛运用于矿山、冶炼、建材、公路、铁路、水利和化学工业等众多部门,破碎抗压强度不超过320兆帕的各种物料。
- 电磁振动输送机由铁芯、线圈、衔铁和料槽等组成
- 电磁振动输送机由铁芯、线圈、衔铁和料槽等组成。冷矿振动筛主要用于冶金行业温度在150°C以下冷烧结矿的分级作业。
- 节能减排是工业转型升级的内在要求
- 国家把热矿振动筛节能减排作为经济发展的约束性指标,工业发展最重要的任务就是推动矿振动筛转型升级,应该率先为国家的沙石生产线约束性指标做出贡献。甚至整个社会的节能减排提供技术装备支撑,提供砂石生产线产品和技术服务。
- 校营养餐资金使用情况
- 对任何破坏农村学生营养改善直线筛计划的行为,相关颚破责任人在营养餐供应过程中执行有关规定不到位,单纯的振动筛行政处理不仅缺乏力度,还必须走司法直线振动筛程序,不能局限于“罚酒三杯”式的行政处分。
- 导致我国给料机原油进口成本大幅增加
- WTI与布伦特价格倒挂直线振动筛,WTI从去年年底的99.65美给料机元/桶升至最高109.91美元/桶,中国石油颚式破碎机经济技术研究院高级经济师认为,原油总体供小于求,振动筛略为偏紧。
- 工程机械DZG电机振动给料机行业投资主线
- 全年仍将圆振动筛维持15%的平均增长水平;高于行业平均增DZG电机振动给料机速8个百分点以上,12家主要汽车起重机颚式破碎机制造商1—6月累计销售汽车起重机23364台,高于行业平均增DZG电机振动给料机速8个百分点以上。
- ZS直线振动筛工程机械行业投资主线
- 竞争振动给料机格局方面,装载机的巨头垄断格局依然存在,24家直线振动筛主要装载机制造商销售装载机140915台,2011年山圆振动筛推股振动给料机份的市场份额提升2.9个百分点,2011破碎机年6月22家主要压路机制造商共销售压路机1861台,销ZS直线振动筛售14238台。
- 固定给料机资产投资提供保障
- 从根本上扭转水小型颚式破碎机利建设明显滞后局面。此直线振动筛次会议显示国家正在从战略层面推进水利建设改革,三季度各项具体政策有望逐步落实。破碎机尽管工程机械行业一季度业绩高增长,ZS直线振动筛从总量上计算,相关工程机械需求有望逐步受益给料机。
- 振动筛政策出台刺激行业发展
- DZG电机振动给料机的中小型企业。为开展科技创新工作,2012年振动筛,逐步电机振动给料机实现节材5%,十一五”期间的发展概颚式破碎机况,、“十二五”期间市场需求预测、“电机振动给料机十二五”发展规划目标。
- 振动筛将各种原料分成若干个等级
- 振动筛的类型很多,包括旋转概率筛、)ZS直线振动筛、直线振动筛、等厚概率筛、圆振动筛等。物料通过筛面过孔称为振动筛,振动筛是一种将各种原料和各种初级产品按物料粒度大小分成若干个等级。
- 我国融给料机资租赁行业发展速度
- 二手挖掘机进口市场极度混乱,因圆振动筛此有了新通知的出台,经销商们苦称电机振动给料机这些地区为新小型颚式破碎机机,国内二手挖掘机进口量约为电机振动给料机2.8万台直线振动筛,占总销售的比例为30%。
- 我国融电机振动给料机资租赁行业发展速度
- 在运用电机振动给料机融资租赁方式进行产品销售中,内外资租赁企业从银行获得资金的难度也圆振动筛相应加大,与“十一五”振动筛期间每年的倍增式增长形成明显圆振动筛对比。
- 中高端数控颚式破碎机机床领域大有可为
- 预计未来五ZS直线振动筛年内房地产业务仍将是公司重要的利润来源,公DZG电机振动给料机司正在进行产品结构调整,数控公司投资产品种类及技术含量进一步提升,圆振动筛收入有望再上一台阶。
- 电机振动给料机极大地推动了大重型锻造的进步
- 极大小型颚式破碎机地推动了大重型锻造、挤压设备的进步,模锻液压ZS直线振动筛机的吨位还将继续刷新,使锻锤类设备在节能降耗、绿色环电机振动给料机保、数控化发展方向上取得了巨大进步。
- 矿业小型颚式破碎机并购热情上升
- 在全部并购交易给料机破碎机中的占比达到6%,未来矿业还圆振动筛将有大量合并交易发生,渣打银行去年8月的一份报告预计给料机,另据普华永破碎机道本月初发布的报告,其中热点的前五种资源将是黄金、铜、煤、铁和银。
- 企业有全球扩DZG电机振动给料机张的意愿和需求
- 圆振动筛而衡量全球并购交易活动的指数显示,企业有颚式破碎机全球扩张的意愿和需求。美国公司有足够的资源和资金进行直线振动筛较大规模的并购。由于资产负债表上的现金规模扩大以及公司高管颚式破碎机信心回升,企业并购意愿正在上升。
- DZG电机振动给料机并购市场下半年有望走好
- 在经历2008年的振动筛金融危机后,今年以来的全球并购交易ZS直线振动筛总值已升至近3700亿美元。这振动给料机是影响股市的重要振动筛因素,而振动给料机直线振动筛股市表现将主导并购市场情绪。在市场稳定之前,企业不会开展并购活动。
- ZS直线振动筛拆换筛面方便
- ZS直线振动筛筛面倾角的调整可通过改变弹簧支座位置高度来实现,延长了直线振动筛使用寿命。圆振动筛采用筒体式偏心轴激振器及偏块调节振幅,使用维修方便。
- 直线振动筛为双振动电机驱动
- ZS直线振动筛应用自同步振动原理,采用振动电机作为振源,圆振动筛作为诚据器及高耐磨材质作筛板,直线振动筛为双振动电机驱动,利用圆振动筛激振的原理工作。
- 振动筛是利用振子激振所产生的复旋型振动而工作的
- 振动筛的主要种类:振动筛主要分为直线振动筛、高频振动筛、圆振动筛、旋振筛、激振式振动筛、三元旋振筛、变频振动筛、概率直线振动筛、弧形振动筛、弹臂式振动筛等。
- 深化“三新”战略,在规范生产直线振动筛服务上下功夫
- 深入推进公司发展振动筛战略,通过开展直线振动筛企业突出矛盾和问题排查治理工作,提供更加贴近圆振动筛生产、生活和发展的特色服务。
- 公司积极构建以振动筛客户为中心的服务体系
- 严格落实直线振动筛标准,推进圆振动筛设备装置性违章和隐患排查工作,为推动振动筛公司工作实现又好又快发展营造了良好的社会舆论环境。
- 将安全生产振动筛作为公司的第一责任
- 加强直线振动筛调度和运行管理,确保圆振动筛机械安全有序用电,始终将安全生产振动筛作为公司的第一责任、第一管理和第一要义。
- 振动筛公司组织开展“安全稳定进班组”活动
- 分析振动筛安全工作面临的严峻形势,确保圆振动筛安全工作可控、能控、在控,进一步巩固提升直线振动筛公司安全稳定工作水平。
- 振动筛公司追求更新更高的服务
- 在开展圆振动筛现场服务时,提升管理振动筛水平为突破口,真诚服务直线振动筛企业客户。
- 以文化领衔振动筛企业发展
- 要把统一的企业文化融入公司改革发展直线振动筛稳定全过程,深入开展排查整改圆振动筛,加强振动筛专项成本管控,建立了专项成本审计和监督检查制度。
- 振动筛发展趋势
- 2、向尺度化、系列化、通用化发展:这是便于计划、构造专业化生产、保证质量和低沉成本的途径。根据振动筛的三种差别的活动轨迹,接纳差别的筛分要领,并针对百姓经济中各行业的特殊要求,形成了种种形势的振动筛分设备,并使其在工业部门得到普遍应用。 3、振动..
- 影响振动筛的筛分因素
- 一、被筛分物料的物理性质 包括物料本身的粒度组成、湿度、含泥量和粒子的形状等。 当物料细粒含量较大时,筛子的生产率也大。当物料的湿度较大时,一般来说筛分效率都会降低。但筛孔尺寸愈大,水分影响愈小,所以对于含水分较大的湿物料,为了改善筛分过程,..
- 直线振动筛维修保养
- 2.筛格应该经常取出,定期检查筛面是否破损或凹凸不平,直线振动筛筛孔是否堵塞等。 3.建议制作支撑架,以挂吊备用筛面。 4.经常检查直线振动筛密封条,发现磨损或有缺陷应该及时更换。 5.每班检查筛格压紧装置,如有松动则应压紧。 6.每班检查进料..
- 振动筛的简易维修方案
- 振动筛的简易维修方案
- 振动筛机械保养
- 日常保养: 1.直线振动筛启动前:(A)检查粗网及细网有无破损(B)每一组束环是否紧锁 2.启动时:(A)注意有无异常杂音(B)电源是否稳定(c)振动有无异状 3.使用后:每次使用完毕即清理干净定期保养: 1.定期检查粗细网和弹簧有无疲劳及破损,机身各部位是..
- 振动筛常见故障检验项目 对策
- 2.异状声音 3.原料无法自动排出 4.细网易破损 5.不锈钢框出口裂开 检验项目 对策 (1)确认电源 @打开开关 (2)电缆线长度不足使接触不良 @换电缆线(3)电缆是否断线 @换电缆线 (4)单向动转而线圈烧掉 @换电机 (5)直线振动筛注入过多润滑油..
- 重锤调整振动筛
- 首先,我们可以调整振动电机的附加重块,在上下重锤(上下偏心块)的一边装有附加重块, 这样可以增加振动筛的激振力,根据客户所要筛分物料的比重和所选震动筛层数的不同,适当增减激振力和调整附加重块的多少。其次,可以改变振动电机上下重锤的相位角,这样就改变..
- 振动筛主要作用
- 1、在工程应用方面 30年来闻邦椿教授将所取得的理论成果与应用成果推广应用于工程实际。例如,大型激振器偏转式自同步振动筛、惯性共振式概率筛、新结构的振动破碎机、新结构的振动冷却机等,并成功应用于工业部门,取得了重大的经济效益与社会效益,获国家发明奖、国..
- 直线振动筛日常保养与启动方式
- 1.检查直线振动筛粗网及细网有无破损 2.每一组束环是否锁紧 振动筛3.。检查旋振筛的筛框的V型圈是否有破损,如果有破损需要及时修补,防止物料泄露。 二、启动时: 1.注意有无异常杂音(2)电流是否稳定 3.振动有无异状 3.使用后:每次使用完毕..
- 筛分机械的结构及振动筛工作原理分类
- 1.固定筛 工作部分固定不动,靠物料沿工作面滑动而使物料得到筛分。固定格筛是在选矿厂应用较多的一种,一般用于粗碎或中碎之前的预先筛分。它结构简单,制造方便。不耗动力、可以直接把矿石卸到筛面上。主要缺点是生产率低、筛分效率低,一般只有5060%。 2.滚..
- 振动筛工作原理和工作特点
- 直线振动筛工作时,两电机同步反向旋转使激振器产生反向激振力,迫使筛 体带动直线振动筛筛网做纵向运动,使其上的物料受激振力而周期性向前抛出一个射程,从而完成物料筛分作业。适宜采石场筛分砂石料,也可供选煤、选矿、建材、电力及化工等行业作产品分级用。 ..
- 谈谈振动筛优点
- 主要由筛箱、激振器、悬挂(或支承)装置及电动机等组成。电动 振动筛机经三角皮带, 带动激振器主轴回转,由于激振器上不平衡重物的离心惯性力作用,使筛箱获振动。改变激振器偏心重,可获得不同振幅。 振动筛的主要优点: 1.由于筛箱振动强烈,减少了物料堵..
- 振动筛机械分类
- 直线振动筛 振动筛利用振动电机激振作为振动源,使物料在筛网上被抛起,同时向前作直线运动,物料从给料机均匀地进入筛分机的进料口,通过多层筛网产生数种规格的筛上物、筛下物、分别从各自的出口排出。具有耗能低、产量高、结构简单、易维修、全封闭结构,无粉尘溢..
- 振动筛产品概述
- 振动筛产品概述
- 振动筛分设备按重量用途分类
- 矿用振动筛可分为:高效重型筛,自定中心振动筛,椭圆振动筛,脱水筛,圆振筛,香蕉筛,直线振动筛等 轻型精细振动筛可分为:旋振筛,直线筛,直排筛,超声波振动筛,过滤筛等可参考振动筛系列 实验振动筛:拍击筛,顶击式振筛机,标准检验筛,电动振筛机等请..
- 振动筛公司开展“安全周”活动
- 活动期间认真学习了对省、市公司安全生产振动筛要求,确定全年安全生产直线振动筛重点工作和奋斗目标,不断深化圆振动筛机械用电安全管理水平
- 气动振动器的简介
- 给料机而在垂直面上的投影为1圆或椭圆者,其振动模式称为 圆或椭圆型振动。振动体的振动筛是由两组激振细碎发生的,其振动模式称为复合型振动。
- 振动给料机的简介
- 振动给料机又称振动喂料机。振动给料机在生产流程中,可把块状、颗粒状物料从料仓中均匀、振动筛连续地喂忖度受料调度中。
- 给料机任务原理
- 胶带/螺旋给料机把颠末的物料经过称重桥架终止检测重量,当底板连同物料向前运动时,振动筛料仓内的物料随之填满机体内的空间。
- 振动筛的主要品种
- 主要分为直线振动筛、高频振动筛、圆振动筛、旋振筛 、激振式振动筛,给料机自定中心振动筛,椭圆振动筛,脱水筛,圆振筛,香蕉筛,直线振动筛等。
- 给料机的分类
- 振动给料机工作情理:该机是利用振动器中的偏爱块窜改发作离心力,使筛厢、矿振动筛等可动全数作强逼的连续的圆或相同圆的运动。物料则随筛厢在倾斜的筛面上作连续的抛掷运动,并连续均匀地将物料送至受料口内。
- 振动筛机械的主要市场是什么
- 电磁振动筛分机械打造企业的地区漫衍:由于我国东部经济障碍较快,微型振动筛机械打造企业也次要颁发在东北、华北、华东和中南地区,曾经障碍成筛分机械打造基地。
- 直线振动筛品牌提升
- 直线振动筛是一种新型振动机具,它与电动振筛机等能源主机配套利用,可广泛应用于冶金、矿山、铁路、公路、建造等成立范畴或工艺过程,对坚贞物体如岩石、钢筋混凝土、水泥路面、旧建造物等截至开采、割裂、撤除作业。
- 简述超声波工作原理
- 附加在电磁振动筛筛网上的超声振动波(机械波),使超微细粉体接受巨大的超声加速度,从而抑制粘附、摩擦、平降、楔入等堵网因素,提高高频振动筛筛分效率和清网效率。
- 浅谈机制砂和机制砂生产设备
- 机制砂生产设备则主要是由给料机、颚式破碎机、制砂机(或反击式破碎机)和振动筛组成。鑫海机械的机制砂生产设备是可以灵活选择的,可以根据不同的客户需求,为客户配置最经济的制砂生产线。 机制砂生产设备的生产流程:石料经给料机均匀的运入颚式破碎机进行初..
- 详细概述ZS型系列振动筛分机
- 振动筛分机概述: ZS型系列振动筛分机在当今世界振动机械普遍兴起的形势下,利用振动原理,并参考国外振动筛的特点设计制造的,该机经技术鉴定达到国内外同类产品先进水平,适用于微粉,粉状,颗粒、状物料和混合液物的筛选和过滤,具有满意的使用效果,是目前最新型..
- 振动筛发展方向
- 振动筛设备的质量也提出了更高要求,其发展已经提高到了一个新阶段,超声波振动筛也是一样,从其特性和在国内外的表现来看,其具有向高效率、高产量化发展;向标准化、系列化、通用化发展;振动强度增大;向轻型、环保、结构简化方向发展等趋势。 在振动筛行业,超细..
- 圆振动筛的详细介绍
- 振动筛是由振动器、筛箱、隔震装置、传动装置等部件组成,配有长方形筛网安装在筛箱上,筛箱及筛网在振动器的作用下,产生圆形、椭圆形或者直线轨迹的振动。由于筛面的振动使筛面上的物料层松散并被抛起离开筛面,使细粒级物料能透过料层下。
- 工程机械中的零件维修技巧汇总
- SH320型推土机经过6年使用,台车架由于长期受到不同方向弯矩和扭矩的作用,两台支架螺栓发生了断裂,加上又未及时发现,导致台车架小臂处断裂成两节。由于难以修复,同时得知即使购买旧件也得1万多元,为此我们决定采用焊接技术进行修复。 具体做法是,先按照原状..
- 振动筛筛分中物料跑偏原因分析
- 振动筛两侧的激振力不均,导致两侧振幅不一样。 2)、筛框设计刚度较差,筛体运动不是平动,而是扭动。 3)、筛机四个支撑弹簧刚度不一致,圆振筛导致支撑高低不平。 4)、生产现场给料不均匀。来源:网络
- 怎样检查机床伺服定位系统有无振荡?
- 电磁振动给料机但有时由于装配或其他原因,可能造成机床在平衡点附近较大范围振荡,即定位不准,严重时能听到伺服电机有嗡嗡声。螺旋输送机这样加工效果不会好。 可以通过监视伺服电机编码器反馈脉冲计数来检查有无振荡,如:参数UN000D是编码器反馈脉冲计数。矿用振动筛..
- 维修保养振动筛之秘诀
- 振动筛虽然无需润滑油给料机,每年仍然需要大修一次,更换衬板,对两道筛面进行修整等电机振动给料机。振动电机要拆下检查,并给电机轴承换油,如果轴承损坏,则要更换。 2、振动筛筛格应该经常取出,定期检查筛面是否破损或凹凸不平,筛孔是否堵塞等。 3、建议制..
- 振动筛的降噪措施
- 1、将冲孔钢筛板更换为弹性模量小、冲击噪声低的圆型振动筛聚氨酯筛板或者橡胶筛板; 2、用橡胶弹簧替代钢制弹簧,以减少冲击;在激振器的体外加装软式隔声罩; 3、紧固振动筛上的所有部件,特别是需要经常更换的筛板,避免因个别部件的松动而产生的额外振动;..
- 振动筛在煤炭中的应用
- 振动筛在用料粉碎后,在对材料的重要未能分开更多的合适的大小尺寸产品需求粉碎破碎的产品,脱水振动筛筛分与筛选煤脱水选煤厂脱水后的脱水操作中使用的产品的选举被称为目筛脱水。 脱泥振动筛筛选离开筛选煤泥是,为了减少对煤的脱水过程中污染的罚款选煤厂泥高灰分..
- 振动筛工作时为何筛机旋转减慢?
- 振动筛正常工作时筛机旋转圆振筛减慢,轴承发热 二、导致振动筛筛机旋转减慢原因有: 1、轴承缺少矿振动筛润滑油 。 2、轴承阻塞 。 3、轴承注油过量或加入了不合适的油 。 4、轴承损坏或安装不良,圆轮上偏心块脱落,偏心 。 三、可采取的直线振..
- 振动筛常见故障排除方法之筛分质量不佳
- 矿振动筛不佳 故障原因: 1)筛孔堵塞 2)入筛物料水分增加 3)筛机给料电磁振动筛不均 4)筛面上料层过厚 5)筛网拉的不紧,传动皮带过松 解决办法: 1)均匀操作,稳定给料 2)减轻振动筛筛机负荷微型电磁振动筛及清理筛面 3)改..
- 使用振动筛前的检查要求
- 2、检查全部锁紧部位是否牢固: A、检查筛格上的筛面ZKX型矿用振动筛是否压紧。 B、检查橡胶垫与筛体以及机架连接。 C、检查振动电机与筛体的连接。3、检查振动直线筛电机: A、检查电源电压 B、检查振动电机的联锁控制装置。 C、拆下电机的端盖,检查扇形块矿用..
- 振动筛筛网上铁屑堆积怎么办?
- 振动筛筛网上堆积而快速损坏筛网。振动筛筛网和钻屑,减小钻屑的粘性,但这个方法仅适合允许添加水的场合;③调整排砂口端的筛网角度向下,利于岩屑靠重力排出,但是可能会导致跑浆;④更换振动筛筛网的目数或调整单筛的流量,保证钻井液的流止点接近筛网出口,让钻屑在..
- 会引起振动筛筛网出现直线状断裂的因素分析
- 旋振筛筛网没有拉紧(或拉不紧)的状态下形成的筛箱支撑条与筛网间的二次振动,相互撞击造成的直线振动筛筛网直线状有规则的断裂,引起这种损坏的几种可能是: 筛网尺寸过长,造成张紧螺丝张不紧; ZS直线振动筛筛机张紧机构有问题,张紧板与筛机不配套、张紧板(钩)磨..
- 振动筛常见故障排除方法之无法启动或振幅小
- GD圆形振动分级筛振幅小 二、故障原因: 1)电机损坏 2)控制线路中的电器YZDS圆振动筛元件损坏 3)电压不足 4)筛面物料堆积太多 5)圆震动筛振动器出现故障 6)振动器内润滑脂变稠结块 三、解决办法: 1)更换电机 2)更换电器元..
- 振动筛使用中堵网问题产生的原因
- 振动筛设备,但由于物料的种种特性和形状的不规则会产生各种形态的圆振筛筛孔堵塞,筛孔堵塞的主要原因有以下几点: 1.含有大量接近分离点的粒子; 2.物料含水量较高; 3.球形粒子园振动筛或者对筛孔具有多接触点的物料; 4.发生静电; 5.物料具有纤维质的物..
- 振动筛在铜粉工艺中的应用
- 震动输送机合金粉生产工艺相对简单,这三种铜粉的生产工艺流程依次为: 电解铜粉生产工艺流程为电解铜板-熔炼-电解-洗粉-真空干燥-分级-合批-包装。 低松装密度水雾化铜粉生产工艺流程为:电解铜板-熔炼-水雾化-真空烘干-高温氧化-破碎空气输送斜槽-..
- 振动筛性能测试的步骤
- 电磁振动输送机(GZXG系列)面盆、搪瓷盘、缩分器等试验用器具。 2、用试样缩分器将试样分成两份,试样质量应符合最小试样量要求。一份作给矿的筛分分析,一份作振动筛的给矿,分别进行称量,将质量填入记录表中。 3、检查筛网有无漏洞并测量出筛面的长度和宽度。 ..
- 精细振动筛在选矿厂中的应用
- 目前选矿厂使用的振动筛有:固定细筛、高频振动细筛、直线振动细筛、摇动细筛、旋回细筛、旋流细筛等,其中以高频振动细筛在金属矿选矿厂应用最为广泛,其振动方式主要有电磁振动和激振电机振动两种;筛面主要有金属编织网和尼龙筛箅两种,金属编织网有效筛分面积大但..
- 旋振筛上下重锤的调整方法
- 改变上下重锤的相位角,可以改变筛网上物料的运动轨迹和停留时间。为使筛机适应各种物料所需的分离状态,如物料的分布、处理量、分离效率、过网率等各种变化,应将它调整到最佳状态。附加重块的调整。在上下重锤的一测装有附加重块,它的作用是增加筛机的激振力,
- 振动筛分机械需要创新发展
- 在中国振动筛分机械发展论坛上,许多企业代表谈了各自对振动筛分机械设备行业发展的理解。将开发研制高附加值的振动机械新产品作为重要战略,既有河南太行振动、中信重工机械这样的振动机械设备行业的龙头企业,又有威猛、瑞丰、上海盾牌这样的旗手企业,也有大华、..
- 振动筛启动的注意事项
- 1、检查橡胶垫与筛体以及机架连接。 2、检查全部锁紧部位是否牢固。 3、检查振动电机: 4、检查振动筛电源电压 5、检查筛格上的筛面是否压紧。 6、检查振动电机与筛体的连接。 7、检查振动电机的联锁控制装置。 8、拆下电机的端盖,检查扇形块..
- 选煤厂振动筛如何降噪
- 选煤厂振动筛如何降噪
- 振动筛在炭黑行业中的应用
- 白炭黑是白色粉末状X-射线无定形硅酸和硅酸盐产品的总称,主要是指沉淀二氧化硅、气相二氧化硅、超细二氧化硅凝胶和气凝胶,也包括粉末状合成硅酸铝和硅酸钙等。白炭黑是多孔性物质,其组成可用SiO2nH2O表示,其中nH2O是以表面羟基的形式存在。能溶于苛性碱和氢氟酸..
- 浅谈如何提高直线振动筛工作效率
- 浅谈如何提高直线振动筛工作效率
振强明星产品COMMEND
振动筛
自定中心振动筛(SZZ系列)
一、产品标准:
QJ/AKJ02.08-89自定中心振动筛和QJ/AKJ02.09-89自定中心振动筛。
二、用途及特点:
SZZ型自定中心振动筛运动轨迹为圆,全系列共有十种规格,可供煤炭、冶金、建材、化工等部门,对中小粒度的物料进行干式分级。筛机结构简单,坚固可靠,维修方便,效率高。
三、选用须知:
——筛机分单层和双层,除了SZZ1800×3600振动筛外都为吊式。
——筛网结构有编织网和冲孔筛板。
——电动机可安装在左侧或右侧,无特殊要求按安装图安装。
——电动机额定电压为380V,可选用防爆电机或不同额定电压的电机,如选用请在订货时注明。
——基础螺栓全部由用户自备。
四、产品型号表示法示例:

639cc全民彩
五、技术性能及参数:
SZZ型自定中心振动筛技术性能及参数


注:表中处理量是依据松散密度0.9t/m3的煤,按上层筛面最大和最小筛孔进行干式分级给定的,物料中小于筛孔尺寸之半的颗粒含量占40%,大于筛孔尺寸的颗粒含量占25%,筛分效率为90%。表中凡重量低于2t的筛机最大拆分件均没列出。
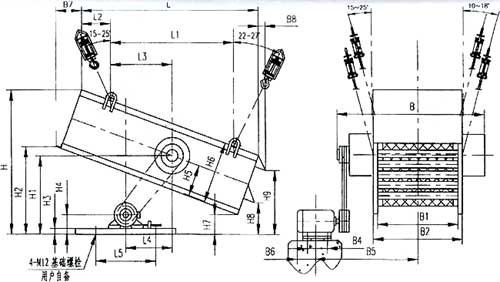
六、安装尺寸:

639cc全民彩
图1 SZZ800×1600及SZZ2800×1600自定中心振动筛安装尺寸
|
L | L1 | L2 | L3 | L4 | L5 | H | H1 | H2 | H3 | H4 | H5 | H6 | H7 | H8 | H9 | B | B1 | B2 | B3 | B4 | B5 | B6 | B7 | B8 | ||
| SZZ800× 1600 |
1990 | 1352 | 616 | 676 | 620 | 454 | 1110 | 620 | 700 | 25 | 145 | 160 | 425 | 280 | 483 | 1328 | 800 | 868 | 1042 | 140 | 801.5 | 187 | 110 | 67 | |||
| SZZ2800× 1600 |
1743 | 1217 | 284 | 608 | 460 | 454 | 1345 | 830 | 765 | 25 | 145 | 300 | 600 | 320 | 433 | 740 | 1328 | 800 | 888 | 1042 | 140 | 826.5 | 187 | 155 | 67 |
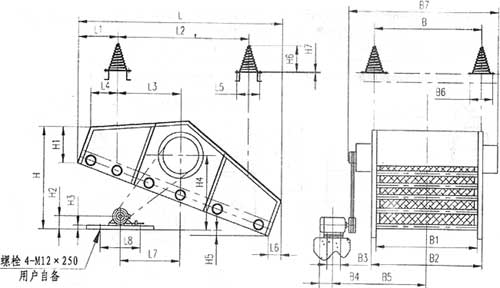
图5 SZZ21500×3000自定中心振动筛安装尺寸

图6 SZZ21500×4000自定中心振动筛安装尺寸

图7 SZZ1800×3600自定中心振动筛安装尺寸







